服务热线:15195518515在线客服:1464856260
传真号码:0517-86801009
邮箱号码:1464856260@qq.com
网 址:http://www.j357b.cn
地 址:江苏省金湖县理士大道61号
远传磁翻板液位计厂家各类功能使用要求及电源接线说明
在生产中应用到的远传磁翻板液位计厂家有很多种类型,都是在基本型的基础上加装了其它针对性的功能,比如电加热,比如电远传,这些功能都涉及到外接电源,一般上工业现场提供的都是24VDC标准电源,当然也有12VDC或者36VDC。为了更加方便客户的安装与使用,本文就远传磁翻板液位计厂家经常会遇到关于安装与使用方面的要求作一个简单的说明,另附上各类功能性远传磁翻板液位计厂家的电源接线示意图。
磁翻板使用说明:
1. 开箱检查仪表的型号与选购的型号是否一致,法兰尺寸及中心距离是否与现场尺寸一致。
2. 液位计安装需垂直,以保证磁性浮子在主导管内上下运动自如。
3. 液位计与容器之间应装有阀门,以便清洗和检修时切断物料。
4. 液位计筒体周围不容许有磁体靠近,否则会影响液位计正常工作。
5. 液位计出厂时一般不保温,但可根据用户需求代为保温。如用户自行采用伴热管道时,需选用非导磁材料。
6. 为防止运输途中磁性浮子在主导管内高速滑动而被撞击,液位计出厂前,用卡丝将磁性浮子固定在下引液管处,用户在安装前应先抽出卡丝方能安装。
7. 1)UPVC、铝面板液位计安装完毕后,需用磁钢进行校正,对磁翻板导引一下,使零位以上显示白色。
2)磁敏电子双色液位计如出现只亮一段,或者只显示一种颜色,是因电压过低造成,建议更换使用DC24V 2A电源。
8. 液位计投入运行时,应先打开引液管阀门,然后慢慢开启下引液管阀门,让液体介质平稳流入,避免液体介质带着浮子急速上升,造成磁性翻柱翻转失灵或翻乱(若遇此现象,可用磁钢重新校正).
9. 如需更换浮子时,应注意重端磁性一端向上,不能倒装!
10. 液位计筒体内不应有固定杂质进入,以免对浮子造成卡阻。根据介质情况,可定期清洗主导管,清除罐内沉积物杂质。
校准说明:
翻板指示器的校准 所有液位计在出厂之前均进行严格的校准,出厂时以下法兰中心线为零点,以上法兰中心线为满度,两法兰中心距为仪表的使用范围。用户如发现进液后标尺和零位与实际有位差,可松开喉箍,移动翻板的位置,调节翻板(标尺)的位置正好对应实际的液位值。 如果发现指示器翻板排列杂乱无章,可在安装前用随货磁铁对准翻板自上而下移动,使翻柱排列整齐。 当翻柱排列整齐并且浮子以下为红色而以上为白色时,说明校准完整,可进水或移动浮子观察翻柱的变化。
远传变送器输出值的校准
1.按照传感器接线图接线,注意24伏的正负;

2、本安防爆
防爆结构适用于有爆炸危险的 环境场合
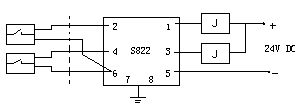
a带本安防爆,上、下限开关输出型 防爆开关由于干簧开关和带继电 器触点的安全栅组成,可向用户直接 提供一对常开或常闭触点。如用户需 更多触点可特殊设计订货。接线见图六

b带本安防爆远传型
适合使用于II类电气设备(工厂 用)、C级气体,*高表面温度组别T4 (135℃)。
接线见图七。

c使用注意事项
1)远传磁翻板液位计厂家的变送器外壳设有外接地,用户使用时必须可靠接地。
2)安全栅的使用应遵守有关使用说明内容。
3)变送器与安全栅本安端的连接电缆为二芯屏蔽电缆,芯线截面积>0.5 mm2,电缆允许分布电容为0.8uF。
3.缓慢进水,使翻板正好翻到标尺的零位(或用户事先设定好的位置),调节零位电位器,使电流输出为4mA;
4.缓慢进水,使翻柱正好翻到标尺的满度(或用户事先设定好的位置),调节满度电位器,使电流输出正好为20mA; 4.重复以上步骤,直到输出准确为止。一般出厂均为已调整过,用户无需再调。如需调节,一般调节2至3遍即可。
其他功能性接线
电子双色型显示器供电系统 电热管接线盒 显示器为双电源独立供电,请务必使用产品配套的电源适配器。

电加热供电系统

电热管接线盒 导热油加注方法:从电加热层侧面接管孔加注导热油至安全线,不得低于或超过安全线。



|