服务热线:15195518515在线客服:1464856260
传真号码:0517-86801009
邮箱号码:1464856260@qq.com
网 址:http://www.j357b.cn
地 址:江苏省金湖县理士大道61号
泥浆液位计使用要求及电源接线说明示意图
翻板指示器的校准 所有液位计在出厂之前均进行严格的校准,出厂时以下法兰中心线为零点,以上法兰中心线为满度,两法兰中心距为仪表的使用范围。用户如发现进液后标尺和零位与实际有位差,可松开喉箍,移动翻板的位置,调节翻板(标尺)的位置正好对应实际的液位值。 如果发现指示器翻板排列杂乱无章,可在安装前用随货磁铁对准翻板自上而下移动,使翻柱排列整齐。 当翻柱排列整齐并且浮子以下为红色而以上为白色时,说明校准完整,可进水或移动浮子观察翻柱的变化。
远传变送器输出值的校准
1.按照传感器接线图接线,注意24伏的正负;

2、本安防爆
防爆结构适用于有爆炸危险的 环境场合
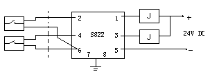
a带本安防爆,上、下限开关输出型 防爆开关由于干簧开关和带继电 器触点的安全栅组成,可向用户直接 提供一对??虺1沾サ恪H缬没?更多触点可特殊设计订货。接线见图六

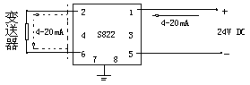
b带本安防爆远传型
适合使用于II类电气设备(工厂 用)、C级气体,*高表面温度组别T4 (135℃)。
接线见图七。

c使用注意事项
1)泥浆液位计的变送器外壳设有外接地,用户使用时必须可靠接地。
2)安全栅的使用应遵守有关使用说明内容。
3)变送器与安全栅本安端的连接电缆为二芯屏蔽电缆,芯线截面积>0.5 mm2,电缆允许分布电容为0.8uF。
3.缓慢进水,使翻板正好翻到标尺的零位(或用户事先设定好的位置),调节零位电位器,使电流输出为4mA;
4.缓慢进水,使翻柱正好翻到标尺的满度(或用户事先设定好的位置),调节满度电位器,使电流输出正好为20mA; 4.重复以上步骤,直到输出准确为止。一般出厂均为已调整过,用户无需再调。如需调节,一般调节2至3遍即可。
其他功能性接线
电子双色型显示器供电系统 电热管接线盒 显示器为双电源独立供电,请务必使用产品配套的电源适配器。

电加热供电系统

电热管接线盒 导热油加注方法:从电加热层侧面接管孔加注导热油至安全线,不得低于或超过安全线。



|