服务热线:15195518515在线客服:1464856260
传真号码:0517-86801009
邮箱号码:1464856260@qq.com
网 址:http://www.j357b.cn
地 址:江苏省金湖县理士大道61号
浮子式液位计怎么接线
发布时间:2021-09-07 07:53:14??点击次数:3088次
在生产中使用到的浮子式液位计有很多种类型,都是在基本型的基础上加装了其它针对性的功能,比如电加热,比如电远传,这些功能都涉及到外接电源,一般上工业现场提供的都是24VDC标准电源,当然也有12VDC或者36VDC。为了更加方便客户的安装与使用,本文就浮子式液位计经?;嵊龅焦赜诎沧坝胧褂梅矫娴囊笞饕桓黾虻サ乃得?,另附上各类功能性浮子式液位计的电源接线表示图。
一、浮子式液位计使用说明:
1. 开箱检查仪表的型号与选购的型号是否一致,法兰尺寸及中心距离是否与现场尺寸一致。
2. 液位计安装需垂直,以保证磁性浮子在主导管内上下运动自如。
3. 液位计与容器之间应装有阀门,以便清洗和检修时切断物料。
4. 液位计筒体周围不允许有磁体靠近,否则会影响液位计正常工作。
5. 液位计出厂时一般不保温,但可根据用户需求代为保温。如用户自行采用伴热管道时,需选用非导磁材料。
6. 为防止运输途中磁性浮子在主导管内高速滑动而被撞击,液位计出厂前,用卡丝将磁性浮子固定在下引液管处,用户在安装前应先抽出卡丝方能安装。
7. 1)UPVC、铝面板液位计安装完毕后,需用磁钢进行校正,对磁翻板导引一下,使零位以上显示白色。
2)磁敏电子双色液位计如出现只亮一段,或者只显示一种颜色,是因电压过低造成,建议更换使用DC24V 2A电源。
8. 液位计投入运行时,应先翻开引液管阀门,然后慢慢开启下引液管阀门,让液体介质平稳流入,避免液体介质带着浮子急速上升,造成磁性翻柱翻转失灵或翻乱(若遇此现象,可用磁钢重新校正).
9. 如需更换浮子时,应注意重端磁性一端向上,不能倒装!
10. 液位计筒体内不应有固定杂质进入,避免对浮子造成卡阻。根据介质情况,可定期清洗主导管,清除罐内沉积物杂质。
校准说明:
翻板指导器的校准 所有液位计在出厂之前均进行严格的校准,出厂时以下法兰中心线为零点,以上法兰中心线为满度,两法兰中心距为仪表的使用范围。用户如发现进液后标尺和零位与实际有位差,可松开喉箍,挪动翻板的位置,调节翻板(标尺)的位置正好对应实际的液位值。 如果发现指导器翻板排列杂乱无章,可在安装前用随货磁铁对准翻板自上而下挪动,使翻柱排列整齐。 当翻柱排列整齐并且浮子以下为血色而以上为白色时,说明校准完整,可进水或挪动浮子观察翻柱的变化。
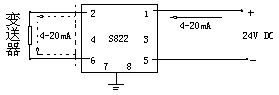
二、远传变送器输出值的校准
1.按照传感器接线图接线,注意24伏的正负;

2、本防爆
防爆布局适用于有爆炸凶险的 环境场所
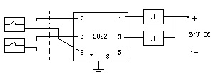
a带本安防爆,上、下限开关输出型 防爆开关由于干簧开关和带继电 器触点的安全栅组成,可向用户直接 提供一对??虺1沾サ?。如用户需 更多触点可特殊设计订货。接线见 图六

b带本安防爆远传型
适合使用于II类电气装备(工厂 用)、C级气体,*高表面温度组别T4 (135℃)。

c使用注意事项
1)浮子式液位计的变送器外壳设有外接地,用户使用时必须可靠接地。
2)安全栅的使用应遵守有关使用说明内容。
3)变送器与安全栅本安端的连接电缆为二芯屏蔽电缆,芯线截面积>0.5 mm2,电缆允许分布电容为0.8uF。
3.缓慢进水,使翻板正好翻到标尺的零位(或用户事前设定好的位置),调节零位电位器,使电流输出为4mA;
4.缓慢进水,使翻柱正好翻到标尺的满度(或用户事前设定好的位置),调节满度电位器,使电流输出正好为20mA; 4.重复以上步骤,直到输出准确为止。一般出厂均为已调整过,用户无需再调。如需调节,一般调节2至3遍即可。
三、其他功能性接线
电子双色型显示器供电系统 电热管接线盒 显示器为双电源独立供电,请务必使用产品配套的电源适配器。

电加热供电系统

电热管接线盒 导热油加注方法:从电加热层侧面接管孔加注导热油至安全线,不得低于或超过安全线。



|