服务热线:15195518515在线客服:1464856260
传真号码:0517-86801009
邮箱号码:1464856260@qq.com
网 址:http://www.j357b.cn
地 址:江苏省金湖县理士大道61号

智能投入式液位计
- 品*:JKM/凯铭仪表
- 型号:JKM-JY
- 测量范围:0-100m
- 精度等级:0.25%F.S、0.5%
- 公称通径:DN10-DN100
- 适用介质:水,溶剂
- 工作压力:常压
- 工作温度:-20℃~70℃
- 供电方式:24VDC
- 订货号:SERDLHCUG894
智能投入式液位计可适用于高温、高压、强腐蚀、易结晶、防堵塞,放冷冻及固体粉状、粒状物料。电容式液位计它可丈量强腐蚀型介质的液位,丈量高温介质的液位,丈量密封容器的液位,与介质的粘度、密度、工作压力无关。
智能投入式液位计从根本上处理了温度、湿度、压力、物质的导电性等因素对丈量进程的影响,因而具有*高的抗干扰性和可靠性。可以丈量强腐蚀性的液体,如酸、碱、盐、污水等。

智能投入式液位计产品参数
测量介质:水或与接触材质兼容的液体
整体材质:隔离膜片:316L不锈钢(接触) 探头:304/316L不锈钢(接触)
密封件:丁腈橡胶(接触) 线缆:聚氨酯等(接触) 接线盒:压铸铝(非接触)
量程范围:0.250米(根据用户定制)
输出信号:420mA、RS485(标准Modbus-RTU协议)
供电电压:标准24VDC(1236V)
精度等级:0.2FS、0.5FS
工作条件:介质温度:-4060、环境温度:-4085
温度补偿:-1060摄氏度
抗震性能:10g(20…2000Hz)
过载能力:200满量程
响应频率:模拟信号输出<500Hz,数值信号输出<5Hz
稳定性能:±0.1 FS/年
温度漂移:±0.01 FS/(温度补偿范围内)
整体重量:探头与接线盒1100g 线缆每米60g
防护等级:探头IP68 接线盒IP65
*大功率:电流型0.02Us(W) 数字型0.02Us(W)
注意:Us为供电电压
负载特性:电流型负载(Us-7.5)/0.02Ω
备注:Us为供电电压

智能投入式液位计特点
1.采用高品质扩散硅传感器,灵敏度高,响应速度快,准确反映流动或静态液面的细微变化,测量准确度高。
2.备有防阻塞型设计,可实现对糊状介质液位的测量。
3.测量范围宽:可达0-1-150m
4.测量精确度:0.25和0.5级两种
5.100%等分刻度、LED、LCD三种指示表头,现场读数十分方便。
6.4-20mA DC二线制信号传送,抗干扰能力强,传输距离远。
7.可提供普通投入式、直杆式、用户式或用户指定结构。
8.采用射频电感法测量原理,结构紧凑,体积小,安装维护简单
9.多种信号输出形式,方便不同系统配置。
10.聚四氟乙烯探*耐酸碱等腐蚀性液体及高温液体。
11.准确度:0.2级 0.5级 1.0级
12.有效检测范围:0-0.2-20m
13.承压范围:负压、常压、高压(32MPa以下)
14.工作温度:-50-240℃
15.输出信号:4-20mA二线制
16.现场显示:100%等分刻度、LED、LCD
智能投入式液位计接线

智能投入式液位计选型

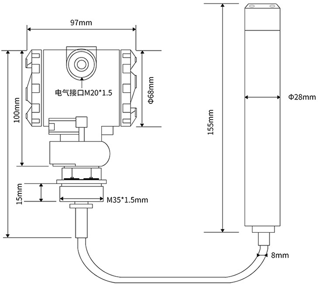
智能投入式液位计尺寸

智能投入式液位计的安装方法





|